- 集團網站
- 選擇區(qū)域/語言
登錄
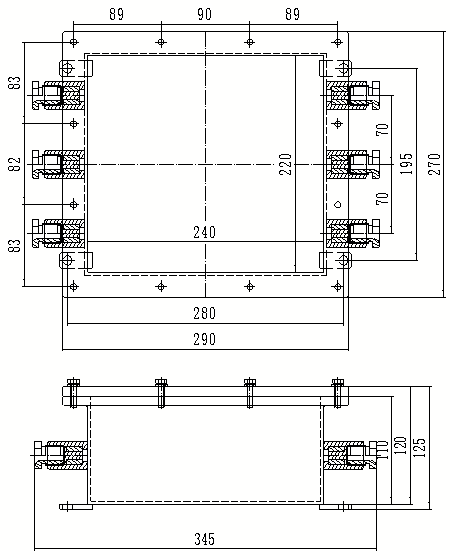
型號 |
CH-FB202B-F |
材質 |
外殼304不鏽鋼+防腐塑或316L不鏽鋼 |
出線規格 |
螺紋接(jiē)口G-3/4",6個出線孔(kǒng) |
外(wài)形尺寸 |
308*270*119MM |
防護等級 |
IP66 |
重量 |
8.8KG |

銷售(shòu)支持
技術支持
400-631-6166